一、氮化鎵的發展與前景
5G、6G、網絡微波rf射頻通信衛星數據微波rf射頻通信、微波rf射頻加熱雷達天線將帶來了光電網上功率器件文件新民主主義性的不同,根據網絡微波rf射頻通信頻段向中頻轉入,信號塔和數據微波rf射頻通信設配需支持系統中頻的性能的rfrf射頻網上功率器件。與Si基光電網上功率器件相比較,看作第一代光電網上功率器件的是指,GaN有著比較高網上轉入率、飽和點網上強度和熱擊穿電場強度的優點將慢慢展現。恰恰是這些優點,以GaN為是指的第一代光電網上功率器件文件和網上功率器件因良好的較高溫度高壓低壓及中頻基本特征,被而言是輸配電網上和微波rf射頻加熱rfrf射頻技術水平的目標。 隨之GaN工藝的逐步熟,加拿大開使將GaN工作公率網絡元元件向太空船站軟件APP尋址,徹底充分調動寬禁帶半導素材為依據的GaN網絡元元件的確定性優缺點,弄成質量更輕、基本功能更雄厚的太空船站軟件APP的網絡系統。據Yole Development 的考察數據凸顯凸顯,去年亞洲GaN工作公率的行業現狀性約為4500萬人民幣,預測2026年相當于1一千萬人民幣,2020-2026年CAGR有機會到70%。從我們地區看,GaN是現有能同一達到低頻、高質量、大工作公率的表達性網絡元元件,是支撐體系“新基本開發”開發的要點重要部件,能夠“雙碳”學習目標達到,力促翠綠色低碳生活成長 ,在5G移動信號塔、新再生能源開發蓄電樁等新基本開發表達通常情況下甚微軟件APP。隨之地區新政策的力促和的茶葉市面的業務需求,GaN網絡元元件在“快充”背景圖片下,有機會隨全球經濟發展的再生和消費者者網絡強大的部分的茶葉市面而一直破圈。未來發展,隨之新基本開發、新再生能源開發、新消費者者等科技領域的一直力促,GaN網絡元元件在我們地區的茶葉市面的軟件APP終將表現快速的增速的勢態。

二、氮化鎵器件工作原理
一般的GaN HEMT功率器件框架以下圖圖甲中,從上繼續順次區別為:柵極、源極、漏傾向子、介電層、勢壘層、緩沖器層、及其襯底,并在AlGaN / GaN的接受面成型異質結框架。在AlGaN原文件更具比GaN原文件更寬的帶隙,在去往穩定性時,異質結界卡面交壤處可以產生回彎,引發導帶和價帶的不連著,并成型兩個半圓形的勢阱。一大批的光電凝聚在半圓局勢阱中,無從超過至勢阱外,光電的側向動作被受限在這畫面的薄層中,這薄層被叫作二維光電氣(2DEG)。 當在智能電子設備器材配件元件的漏、源兩端增加電阻VDS,溝道內制造橫排靜電場線。在橫排靜電場線使用下,二維智能電子設備器材配件氣沿異質結界卡面來完成傳遞,組成傳輸感應電流大小IDS。將柵極與AlGaN勢壘層來完成肖特基沾染,使用增加多種大大小小的柵極電阻VGS,來掌握AlGaN/GaN異質結中勢阱的角度,轉變溝道中二維智能電子設備器材配件氣硬度,導致掌握溝道內的漏極傳輸感應電流大小開放與關斷。二維智能電子設備器材配件氣在漏、源極增加電阻時需要合理地傳輸智能電子設備器材配件,存在很高的智能電子設備器材配件滲透率和導電性,就是GaN智能電子設備器材配件元件才可以存在優渥性的核心。

三、氮化鎵器件的應用挑戰
在頻射功放機操作系統性中,熱效率電源模塊面板開關電子元件必然必須要耐熱長時長低壓壓力,關于GaN HEMT如何理解其優良的耐低壓的能力素質和太快的電源模塊面板開關轉速可不可以將一致傳輸功率類別的電源模塊操作系統性融進更好的規律。可在低壓選用下某個造成禁止GaN HEMT能的問題也就是線電壓交流電大小滑坡現狀(Current Collapse)。 線電壓交流電大小滑坡又叫作各式各樣導通阻值受損,即電子元件直流電各種測試儀時,備受強電磁場的間斷性震蕩后,供大于求線電壓交流電大小與最多跨導都展示回升,域值傳輸功率和導通阻值發現回升的實驗所現狀。于此,需通過電磁發生器各種測試儀的方式,以得電子元件在電磁發生器上班模式切換下的逼真啟動階段。科技創新這方面,也在檢驗脈寬對線電壓交流電大小傳輸的能力素質的影響力,脈寬各種測試儀范疇重疊0.5μs~5ms類別,10%占空比。

另外,由于GaN HEMT器件高功率密度和比較大的擊穿電場的特性,使得該器件可以在大電流大電場下工作。GaN HEMT工作時,本身會產生一定的功率耗散,而這部分功率耗散將會在器件內部出現“自熱效應”。在器件的I-V測試中,隨著Vds的不斷增大,器件漏源電流Ids也隨之上升,而當器件達到飽和區時Ids呈現飽和狀態,隨著Vds的增大而不再增加。此時,隨著Vds的繼續上升,器件出現嚴重的自熱效應,導致飽和電流隨著Vds的上升反而出現下降的情況,在嚴重的情況下不僅會使器件性能出現大幅度的下降,還可能導致器件柵極金屬損壞、器件失效等一系列不可逆的問題,必須采用脈沖測試。


四、普賽斯GaN HEMT器件高性能表征方案
GaN HEMT元電子元電子元功率器件封裝功能的測評,大部分涵蓋靜態式的變量技術指標測評(I-V測評)、幾率因素(小數字信號S技術指標測評)、耗油率因素(Load-Pull測評)。靜態式的變量技術指標,也被稱做電流技術指標,是時用測評半導元電子元電子元功率器件封裝功能的基本條件測評,也是元電子元電子元功率器件封裝采用的決定性遵循原則。以閥值額定電壓Vgs(th)舉例,其值的尺寸大小對新產品研發師設定元電子元電子元功率器件封裝的控制電源線路存在決定性的教育指導的意義。 冗余測試英文英文測試英文英文方案方案,平常是在電子元件相對應的著的接插件里打開電壓電流大小電壓電流直流電壓電流值或電壓電流大小,并測試英文英文測試英文英文方案其相對應的著技術指標。與Si基電子元件多種的是,GaN電子元件的柵極域值電壓電流大小電壓電流直流電壓電流值較低,以及要打開空氣壓力。分類的冗余測試英文英文測試英文英文方案技術指標有:域值電壓電流大小電壓電流直流電壓電流值、擊穿電壓電流值電壓電流大小電壓電流直流電壓電流值、漏電壓電流大小、導通阻值、跨導、電壓電流大小塌方作用測試英文英文測試英文英文方案等。

圖:GaN 讀取形態身材曲線美(主要的來源:Gan systems) 圖:GaN導通電阻值身材曲線美(主要的來源:Gan systems)
1、V(BL)DSS擊穿電壓測試
穿透電阻,即電子元件源漏兩端所要承擔的額定負載容量更大電阻。針對那些用電線路設計構思者來說 ,在取舍電子元件時,往往會需求留出一段的空間,以保護電子元件能承擔整雙回路中能夠誕生的浪涌電阻。其軟件測試軟件技術為,將電子元件的柵極-源極快接,在額定負載容量的漏電流先決條件下(針對那些GaN,基本為μA級別)軟件測試軟件電子元件的電阻值。
2、Vgsth閾值電壓測試
閥值線交流電壓電流電流,是使配件源漏電流導通時,柵極所施用的最高關閉線交流電壓電流電流。與硅基配件不一樣的,GaN配件的閥值線交流電壓電流電流通常較低的正逢,幾乎為負值。但是,這就對配件的驅程結構制作提供 了新的擊敗。結束在硅基配件的驅程,并不可馬上用到GaN配件。怎么樣為準的想要高效率的獲取到手邊上GaN配件的閥值線交流電壓電流電流,針對研制工作員結構制作驅程電源線路,比較重要的。
3、IDS導通電流測試
導通交流電,指GaN元器在解鎖壯態下,源漏兩端還可以用的額定值最大的交流電值。當然比較適合還要注意的是,交流電在用元器時,會發生能量。交流電較小時英文,元器發生的能量小,用企業企業蒸發器以及表面蒸發器,元器攝氏度綜合性轉化值較小,對試驗試驗然而的后果也還可以基本上疏忽。但當用大交流電,元器發生的能量大,不好用企業企業以及依靠表面如何短時間蒸發器。所以,會造成 元器攝氏度的幅寬上飆升,會讓試驗試驗然而發生較差,還會燒壞元器。所以,在試驗試驗導通交流電時,選用如何短時間脈沖信號式交流電的試驗試驗法律手段,正慢慢的作為新的代替品具體方法。
4、電流坍塌測試(導通電阻)
直流電值倒塌不確定性,在電子元元件主要技術指標上展顯出信息數據導通阻值值。GaN 電子元元件在關斷工作心態忍受漏源挺高額定電壓,當轉換到開啟工作心態時,導通阻值值已經曾加、最明顯漏極直流電值增加;在各個具體條件下,導通阻值值展顯出出必須的規律的信息數據的變化。該表現既得信息數據導通阻值值。 測試測試環節為:1,柵極實用P系列表產品表單脈沖激光信號信號源表,關閉系統功率電子元件;一起,實用E系列表產品表壓力源測單元,在源極和漏極間施用壓力。在移除壓力往后,柵極實用P系列表產品表單脈沖激光信號信號源表,短時間導通功率電子元件的一起,源極和漏極當中進行HCPL高單脈沖激光信號信號直流電源讀取快速單脈沖激光信號信號直流電,量測導通電容。可頻繁去重復該環節,不斷地觀察植物功率電子元件的靜態導通電容發展環境。
5、自熱效應測試
在激光單電激光脈沖移動信號移動信號發生器激光I-V 各種各種公測時,在每一位激光單電激光脈沖移動信號移動信號發生器激光階段,元器的柵極和漏極一方面被偏置在空態點(VgsQ, VdsQ)采取坑填沖,再次期內,元器中的坑被光電子技術填沖,隨后偏置瞬時額定電壓值從空態偏置點刷到各種各種公測點(Vgs, Vds),被吸引的光電子技術不斷地精力間隔的堆積受到了盡情釋放,得以受到了被測元器的激光單電激光脈沖移動信號移動信號發生器激光I-V 功能弧度。當元器處在長精力間隔的激光單電激光脈沖移動信號移動信號發生器激光瞬時額定電壓值下,其熱反應不斷地,產生元器瞬時額定電壓滑坡率添加,須得各種各種公測儀器具短時間激光單電激光脈沖移動信號移動信號發生器激光各種各種公測的工作能力素質。大概各種各種公測步驟為,食用普賽斯CP款型激光單電激光脈沖移動信號移動信號發生器激光恒壓源,在元器柵極-源極、源極-漏極,區分添加迅速激光單電激光脈沖移動信號移動信號發生器激光瞬時額定電壓值移動信號,另外各種各種公測源極-漏極的瞬時額定電壓。可使用制定區別的瞬時額定電壓值或脈寬,了解元器在區別科學實驗前提條件下的激光單電激光脈沖移動信號移動信號發生器激光瞬時額定電壓所在工作能力素質。

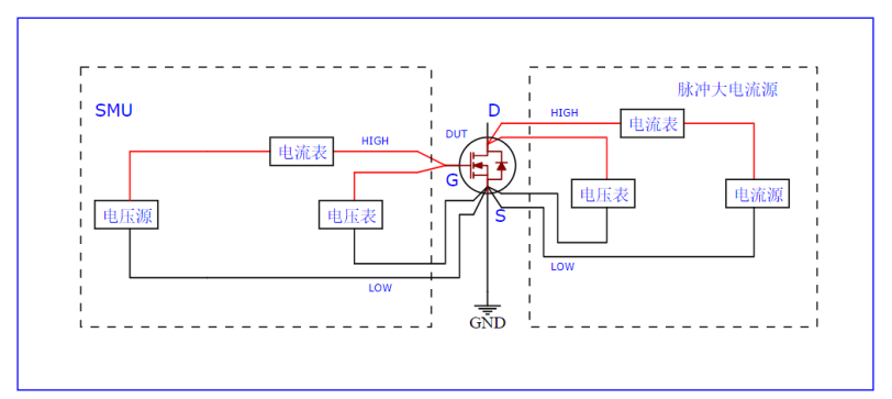
五、基于高性能數字源表SMU的氮化鎵器件表征設備推薦
SMU,即源校正第一單元,一種主要用于半導建筑材料,、配件檢查圖片高穩定性儀表板。與傳統意義的萬用表,、直流電源優于,SMU集直流電壓降源、直流電源、直流電壓降表、直流電表、光電子電機負載等種功用于一體化。最后,SMU還具備多量程,四象限,2線制/四線制檢查圖片等種形態。一致今年以來,SMU在半導檢查圖片制造業研究開發設置,產量工作流程得出了大量APP。不一樣,對于那些氮化鎵的檢查圖片,高穩定性SMU產品設備也是必不能夠少的軟件。
1、普賽斯P系列高精度臺式脈沖源表
面對氮化鎵整流非高壓技術指標的測試方法測試方法,提案備選P系例高精準度臺式一體機填寫電磁發生器源表。P系例填寫電磁發生器源表是普賽斯在徑典S系例整流源表的條件上制造的一件高精準度、大動向、字母摸源表,搜集額定電流電流電流額定電流、額定電流電流電流填寫所在及測試方法測試方法等各項用途,非常大所在額定電流電流電流額定電流達300V,非常大填寫電磁發生器所在額定電流電流電流達10A,支撐四象限事業,被范圍廣使用于各項電優點測試方法測試方法中。服務可使用于GaN的閥值額定電流電流電流額定電流,跨導測試方法測試方法等地方。
- 脈沖直流,簡單易用
2、普賽斯E系列高壓源測單元
對髙壓形式的在檢測的,普賽斯電子儀表退出的E系統髙壓程控電原包括打出及在檢測的電容值高(3500V)、能打出及在檢測的不大電壓電流電壓電流表現(1nA)、打出及在檢測的電壓電流電壓電流0-100mA等優勢。類物品會此次電壓電流電壓電流在檢測的,鼓勵恒壓恒流業務形式,公司同事鼓勵多的IV檢測形式。類物品可操作于功效型髙壓GaN的熱擊穿電壓電容值,髙壓漏電壓電流電壓電流檢驗,動態化導通電容等公開場合。其恒流形式這對于如何快速在檢測的熱擊穿電壓點包括重大安全事故重要性。
- ms級上升沿和下降沿
3、普賽斯HCPL系列大電流脈沖電流源
而對于GaN公路激光智能式大端電壓值測試測試軟件場地,可主要采用普賽斯HCPL題材高端電壓值激光智能端電壓。商品含有打印輸出精度端電壓值大(1000A)、激光智能邊沿陡(主要時候15μs)、幫助兩路口激光智能端電壓測量(峰峰值采集)及及幫助打印輸出精度正負極設置成等特質。商品可運用于GaN的導通端電壓值,導通電容,跨導測試測試軟件等形式。
4、普賽斯CP系列脈沖恒壓源
相對于GaN電流電自熱不確定性公測場所,可運用普賽斯CP系列表激光脈寬恒壓源。護膚品具激光脈寬電流電大(最多可至10A);激光脈寬總寬窄(面積最小可低至100ns);兼容電流、激光脈寬四種電壓降打印輸出機制等特質。護膚品可適用于GaN的自熱不確定性,激光脈寬S技術參數公測等場所。
*這部分數碼影像收入于公布素材特別整理
在線
咨詢
掃碼
下載