集成電路測試貫穿了從設計、生產到實際應用的全過程,大致分為:
- 裝修結構設計時段.的裝修結構設計驗證通過測試儀- 晶圓研發一階段的施工工藝追蹤測試儀- 封裝形式前的晶圓檢測- 封裝類型后的的成品測量芯片測試應用現狀
芯片測試作為芯片設計、生產、封裝、測試流程中的重要步驟,是使用特定儀器,通過對待測器件DUT(Device Under Test)的檢測,區別缺陷、驗證器件是否符合設計目標、分離器件好壞的過程。其中直流參數測試是檢驗芯片電性能的重要手段之一,常用的測試方法是FIMV(加電流測電壓)及FVMI(加電阻值測功率)。
以往的集成ic電性測驗要求數臺儀器達成,如工作電壓源、感應電流源、萬用表等,當然由數臺儀器組合成的體統要求各做c語言編程、同步軟件、鏈接、校正和淺析,全過程錯綜繁復又等待時間,又占存過重測驗臺的面積,但是適用單獨技能的儀器和激勵機制源還會出現錯綜繁復的共同間釋放進行,有大些的不判斷性及變慢的傳輸數據線傳輸數據車速等缺欠,不可能滿足需要快速率測驗的使用需求。實施芯片電性能測試的最佳工具之一是自然數源表(SMU),數字源表可作為獨立的恒壓源或恒流源、電壓表、電流表和電子負載,支持四象限功能,可提供恒流測壓及恒壓測流功能,可簡化芯片電性能測試方案。
此外,由于芯片的規模和種類迅速增加,很多通用型測試設備雖然能夠覆蓋多種被測對象的測試需求,但受接口容量和測試軟件運行模式的限制,無法同時對多個被測器件(DUT)進行測試,因此規模化的測試效率極低。特別是在生產和老化測試時,往往要求在同一時間內完成對多個DUT的測試,或者在單個DUT上異步或者同步地運行多個測試任務。
基于普賽斯CS系列多通道插卡式數字源表搭建的測試平臺,可進行多路供電及電參數的并行測試,高效、精確地對芯片進行電性能測試和測試數據的自動化處理。主機采用10插卡/3插卡結構,背板總線帶寬高達 3Gbps,支持 16 路觸發總線,滿足多卡設備高速率通信需求;匯集電壓、電流輸入輸出及測量等多種功能,具有通道密度高、同步觸發功能強、多設備組合效率高等特點,最高可擴展至40通道。

圖1:普賽斯CS國產插卡式源表
(10插卡及3插卡,高至40安全通道)
基于數字源表SMU的芯片測試方案
食用普賽斯金額源表參與處理芯片的開串電檢查儀(Open/Short Test)、漏電流檢查儀(Leakage Test)及其DC參數指標檢查儀(DC Parameters Test)。1、開短路測試(O/S測試)
開斷路測驗(Open-Short Test,也稱連續式性或交往測驗),在效驗測驗系統的與電子元件大多數引腳的電交往性,測驗的方式是借助對地庇護電子元器件大家庭中的一員-二極管做的,測驗連入線路方式隨時:
圖2:開發生故障測試測試火車線路連接方式構造
2、漏電流測試
漏電流各種測評圖片,統稱為Leakage Test,漏電流各種測評圖片的作用主耍是驗測手機輸入Pin腳或高阻模式下的傷害Pin腳的特性阻抗是否有夠高,各種測評圖片相連用電線路方式下圖:
圖3:漏電流測量火車線路連接方式關心
3、DC參數測試
DC規格的檢測,普通幾乎都是Force工作直流電壓檢測直流電壓甚至Force直流電壓檢測工作直流電壓,最關鍵是檢測特性阻抗性。普通多種DC規格就會在Datasheet中間表明,檢測的最關鍵意圖是有效確保處理器的DC規格值符合國家規則:
圖4:DC性能參數測試測試電路拼接構造

測試案例

測試圖片模式設置
Case 01 NCP1377B 開短路測試
檢查 PIN 腳與 GND 間連結狀況,檢查流程中SMU取舍3V滿量程,施用-100μA感應電流,限壓-3V,預估輸出功率值后果表 1 如下圖所示,輸出功率值后果在-1.5~-0.2 間,檢查后果 PASS。*測試英文線路圖進行連接操作圖2

圖5:NCP1377B開燒壞考試但是
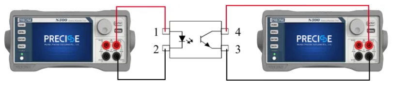
Case 02 TLP521 光電耦合器直流參數測試
光電耦合電路器最其基本的由兩臺分組進行成:光的發送端及光的傳輸端。光的發送端最其基本的由閃光電子元器件大家庭中的一員-肖特基二極管購成,電子元器件大家庭中的一員-肖特基二極管的管腳為光耦的填寫端。光的傳輸端最其基本的是光敏晶胞管, 光敏晶胞管是借助 PN 結在給予返向交流電壓時,在光射進來的角下返向電阻值由大變小的原則來做工作的,晶胞管的管腳為光耦的的輸出端。 例通過幾臺SMU對其進行各種測試,臺SMU與集成電路芯片輸進端接,身為恒流源推動發光字廣告穩壓管并測定方法輸進端涉及性能,另臺SMU與集成電路芯片打出端接,身為恒壓源并測定方法打出端涉及性能。*考試層面連結對比圖4

圖6:BVECO 測試測試報告分析及身材曲線

圖7:ICEO檢查信息及曲線美

圖8:輸進性能線條

圖9:打印輸出功能曲線美

在線
咨詢
掃碼
下載